一位丹麦客户参观了华之晶的工厂,考察了生产线和质量体系,并就包括 10.1 英寸 TFT 液晶和 OLED 显示屏在内的产品解决方案进行了讨论。此次访问增进了双方的信任,也为未来的合作奠定了基础。
日本千叶大学开发出一项革命性 OLED 测量技术,通过精准检测器件内部电位分布,优化电位状态,显著提升发光效率与寿命。该技术借助 ESFG 光谱手段,实时监测电荷移动状态,相关成果发表于英国学术期刊。LCD 生产厂家华之晶对该技术突破表示关注,作为成立于2008年、位于东莞松山湖的高新技术企业,其产品涵盖 TFT 液晶屏、OLED 屏等,应用于工业、医疗、智慧家居领域,千叶大学的研究成果或为华之晶创新发展提供新动力,助力其在显示技术领域拓展与升级。
本周,我们荣幸地在东莞的液晶显示器制造工厂接待了一位尊贵的国际客户。在我们团队的带领下,客户参观了诸如全自动 COG 焊接线、背光组装区、全贴合车间以及最终产品老化测试区等关键生产区域。他们对我们强大的生产能力、严格的质量控制以及工程专业技能给予了高度评价。此次访问增进了双方的信任,并为未来的合作奠定了基础。
在定制 LCD 点阵显示屏时,需在 COB 和 COG 封装技术间抉择。COB 成本低、集成度高,适合小尺寸、成本敏感型产品如智能手表;COG 散热、佳性能优,适用于中大型、高分辨率显示屏如车载仪表盘。本文全面对比两者,助您依显示屏尺寸、成本、性能及应用场景做出明智选择,提升显示性能、降低成本,优化用户体验。
在数字时代,LCD屏幕无处不在,从手机和平板电脑到电视和显示器。尽管LCD技术已经相当成熟,提供了成本效益高且性能稳定的显示解决方案,但在其生命周期中,用户可能会遇到各种显示问题。本文深入探讨LCD显示屏的常见不良现象,分析其原因,并提供针对性的解决方案,帮助用户和技术人员更好地理解和维护他们的设备。
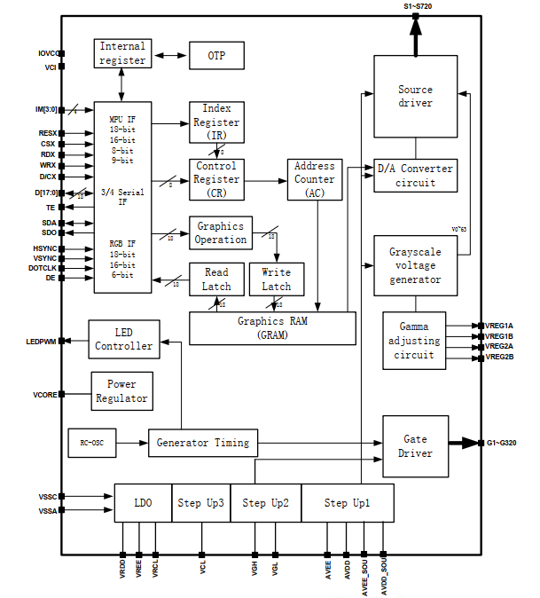
TFT-LCD屏可视为两片玻璃基板中间夹着一层液晶,上层的玻璃基板是与彩色滤光片(ColorFilter)、而下层的玻璃则有晶体管镶嵌于上。当电流通过晶体管产生电场变化,造成液晶分子偏转,藉以改变光线的偏极性,再利用偏光片决定像素(Pixel)的明暗状态。此外,上层玻璃因与彩色滤光片贴合,形成每个像素(Pixel)各包含红蓝绿三颜色,这些发出红蓝绿色彩的像素便构成了皮肤上的图像画面。
产品开发时怎么判断选择定制显示屏还是标准现货?本文分析如何选择适合我们产品项目的显示屏,真正做到节省成本的显示屏采购方案。
每款产品的功能都不一样,显示需求也有差异,往往需要定制显示屏。在以往的经验种我们得知很多客户因为不熟悉显示屏定制的流程,导致反复“试错”花费大量的沟通成本和时间成本。本文详细拆解显示屏定制流程,帮助工程和采购更好地对接显示屏厂推进项目落地。
在工业4.0浪潮下,人机交互界面(HMI)已成为工厂自动化的核心枢纽。作为工业设备的“视觉窗口”,显示屏不仅要传递信息,更需在严苛环境中稳定运行。TFT(薄膜晶体管)技术凭借其工业级可靠性、环境适应性与功能集成性,成为工业控制领域的绝对主流。华之晶将从以下五大维度解析TFT在工业场景的优异性。
在全球能源转型浪潮下,储能产业正以前所未有的速度蓬勃发展。无论是工商业储能柜、户用储能系统,还是便携式电源,其智能化、可视化需求日益凸显。一块清晰、直观、交互友好的显示屏,已成为提升设备竞争力、优化用户体验的关键要素。然而,传统显示方案在开发效率、成本控制及稳定性方面,往往成为储能设备厂商升级路上的“拦路虎”。华之晶在BMS储能管理显示方面经验丰富,可提供理想解决方案。