
品质来源于制程,制程是如何影响品质可靠性的呢?本文从清洗原理出发为大家分析清洗工艺对显示屏的可靠性影响。

在设计工业级人机界面(HMI)或手持设备时,硬件工程师和产品经理往往面临着诸多选择:分辨率、尺寸、触摸屏类型……但有一个参数常常被低估,却直接决定了设备在实地环境中的成败——那就是屏幕亮度。

很多小伙伴在找显示屏的时候可能知道自己需要什么样的显示效果,但是各类参数怎么选怎么定还不是很清晰。今天我们来详细解析一下显示屏的重点参数:尺寸,分辨率和PPI,刷新率和帧率,亮度,接口,视角等。

显示屏的SPI接口,从底层协议的时序细节出发,追踪数据从主控MCU到屏幕像素的完整路径,并探讨驱动IC的内部架构与性能瓶颈,为嵌入式系统工程师提供一份全面的技术参考。

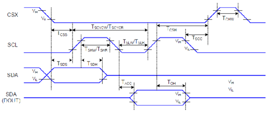
IIC/I2C是显示屏常用的一种接口协议。只需要两根线就能使显示屏显示复杂的字符和图像。极大简化了硬件的连接,使显示驱动变得简单。

本文教会您如何通过精准的需求匹配,从根本上避免高昂的隐形成本,选到合适您项目的显示屏产品。避坑三个显示屏选型陷阱,真正做到“一次选对”显示屏。

在嵌入式设备开发中,复杂且耗时的用户界面(UI)开发一直是工程师面临的重大挑战。本文深入探讨UART串口屏技术,揭示其如何通过“主控+显示分离”架构和预置指令集,革命性地简化UI开发流程,显著缩短产品上市时间,降低开发门槛与成本。深圳华之晶科技将从核心原理、关键优势、开发实战流程到选型要点,为您提供一份全面且实用的指南。

在工业4.0浪潮中,显示屏如同设备的“眼睛”——它决定着操作员能否精准监控产线、及时响应异常。然而,某汽车工厂曾因中控屏在-20℃车间黑屏导致停产损失百万;某医疗设备因屏幕反光被医生投诉“读数误差”……这些事故的根源,往往在于TFT屏选型失误。工业级TFT屏绝非消费级屏幕的“加强版”。本文将拆解5大核心参数,用听得懂的语言,教你为设备匹配真正可靠的“工业之眼”。

本文介绍了 LCD 触摸屏的相关内容。从触摸屏的定义入手,阐述其作为感应式液晶显示装置,整合多项技术,具备便捷操作体验的特点及广泛应用领域。接着讲解电阻式与电容式触摸屏的工作原理,包括结构组成、触摸检测方式及优缺点。最后展望 LCD 触摸屏未来在分辨率、轻薄柔性、新技术融合、低功耗等方向的发展,指出其在未来一段时间内的重要地位。

LED背光源是液晶显示屏的关键组件,为屏幕提供光源,使图像和文字得以显现。文章介绍了两种主要背光类型:侧入式和直下式,分别适用于轻薄设备和高端显示器。文章解析了背光源的工作原理,包括导光板、反射膜、扩散膜和增亮膜等核心元件。随着Mini LED和Micro LED技术的突破,LED背光源技术将更加成熟,为人们带来更优质的视觉体验。

FPC基材分为含胶基板和无胶基板,含胶基板由铜箔、粘合剂和绝缘膜组成,粘合剂确保铜箔与绝缘膜结合,但柔韧性受粘合剂性质限制,电气性能受粘合剂介电性能影响,热性能取决于粘合剂耐热性,厚度精度难以控制,多用于成本敏感的普通电子产品。无胶基板直接将铜箔与绝缘膜压合,无粘合剂,柔韧性更佳,电气性能稳定,热性能优越,厚度和尺寸精度高,适用于高性能需求的高端设备,如航空航天、高端医疗和通信领域。

依据OLED材料在器件中的功能及器件结构的不同,OLED材料可区分为空穴注入层(HIL)、空穴传输层(HTL)、发光层(EML)、电子传输层(ETL)、电子注入层(EIL)等材料。

液晶显示器是由两片含有透明电极(ITO电极)的上下玻璃片组成。定向的液晶被夹在电极之间。然后在电极的外面贴上一个偏振片。这就是最简单的液晶显示器的基本结构。

硅基AMOLED微显示技术介绍以单晶硅半导体为衬底,在半导体中集成了由千万个晶体管构成CMOS驱动电路,CMOS驱动电路顶层制作OLED有机发光二极管,是同时实现高分辨率和微小尺寸的微型显示器件。

自从iPhone X引入OLED屏幕后,OLED屏幕逐渐成了高端屏幕,显示出色的代名词。过去市场上流行的LCD屏幕渐渐下沉到千元机的市场,很少有人问津。但LCD真的就不如OLED么?我们来探讨下这个问题。

LCD用的是金属材料,而OLED用的是有机物材料,两者的发光原理是一样的,但区别在于OLED不需要背光源,自己本身会发光,无需单独的背光或者彩色滤光器。每个OLED像素都可以分配红、绿、蓝三种颜色,现在深圳华之晶制造商还加入了黄色。

很多人可能会在想,不就一块屏吗,能有多大影响?其实这里面的水很深。看完你就会明白了。今天,我们就来带大家深挖VR行业的一些“秘密”。

2021年8月,国内LCD液晶面板厂平均稼动率为94.6%。其中,低世代线(G4.5~G6)平均稼动率为91.8%,高世代线(G8~G11)平均稼动率为95%,相比7月微降0.4个百分点。总体而言,8月国内LCD产线稼动率未出现明显波动,预计9月稼动率调整幅度会大于8月。

有机层与ITO之间界面对发光性能的影响至关重要,ITO玻璃在使用前必须仔细清洗,目的是除去表面上物理附着的污物和化学附着的有机物等。


We has discussed the manufacturing steps of Flexible Printed Circuit materials and Flexible Printed Circuit Construction Process. Here we would like to share with you: How to define the areas, layers and stacks of FPC?

Sinocrystal has already shared with you the material of FPC, Now, we would like to share the construction process of FPC with you.

Sinocrystal would like to share with you the technical knowledge of the raw material -- FPC, which to help you understand how to manufacture FPC and the combination of hard and soft board, help us to design the best matching scheme, or provide more angles of analysis ideas in the later anomaly analysis.

LCD来自于液晶显示器的第一个字母。它是一种无源显示元件,这意味着它们不发光。

TFT LCD(薄膜晶体管液晶显示器)是一种薄型显示器类型,它具有类似三明治的结构,液晶填充在两块玻璃板之间。

单色LCD技术实际上是将液晶倒入两排有细槽的平面。这两个平面上的凹槽相互垂直(交点变成90°)。那么,如果一个平面上的分子按南北方向排列,另一个平面上的分子按东西方向排列,位于这两个平面之间的分子就直接被迫进入90°扭曲状态。

HTN液晶屏,(高扭曲向列体,高扭曲向列体)向列体液晶分子,HTN屏具有更高的扭曲度(介于TN和STN之间),使其性能超过TN液晶屏。TFT-LCD,OLED,黑白屏,段码屏,触摸屏,工业级液晶屏

LCD和OLED属于显示器的两大阵营,这在手机显示中经常被讨论。如果你想弄清楚LCD和OLED的主要区别是什么,让我们继续往下看吧。

你了解OCA技术吗?你知道你什么时候需要选择OCA吗?如果你决定在你的触摸屏项目中采用OCA技术,你需要选择哪种OCA材料?请关注华之晶,了解详细的解决方案。

LCD和OLED属于显示器的两大阵营,这在手机显示中经常被讨论。如果你想弄清楚LCD和OLED的主要区别是什么,让我们继续往下看。